Mit der Schaltung 2BK10 kann man Geräte oder Lampen
mit einem
einfachen Taster (oder irgendeinem Schaltkontakt) ein- und ausschalten,
wie man es von vielen modernen
Geräten kennt, oder einfach nur ein Schaltsignal erzeugen. Das
Modul ist ausgelegt für 6...24V Betriebsspannung. Der Taster
wird automatisch entprellt. Vorteile dieser Schalte sind der geringe
Ruhestrom und der weite Betriebsspannungsbereich. Der Ruhestrom kann
durch
Anpassung des Spannungsteilers bei Bedarf auf
unter 1µA gesenkt werden. Dabei kann ohne weiteres ein Strom
von
100mA und unter Umständen bis 500mA entnommen
werden.
Für einen Power-MOSFET reicht es allemal. Der aufgeweckte
Bastler
kann die Schaltung auch für Spannungen bis 48V einrichten.
Aus
Sicherheitsgründen sollte bei Leistungsanwendungen eine
Sicherung oder ein
Hauptschalter vorhanden sein - der wird allerdings
geschont. Wie fast jede Schlatung, so kann auch diese nach Belieben
umgepolt geschaltet werden, etwa um einen N- oder P-MOSFET anzusteuern.
Funktion
Sobalt der Taster gedrückt wird, ändert sich der
Betriebszustand von AUS nach EIN (oder umgekehrt) und bleibt stabil bis
zum nächsten Drücken. Gedrückt halten oder
Loslassen hat
keinen Einfluß. Am Ausgang liegen entweder null Volt oder
Betriebsspannung an.
Technische Daten
:
Betriebsspannung 6...24V
Ruhestrom: I = UB/(R1+R2)
Betriebslast: 330Ω...10kΩ
Maximale Schaltfrequenz: 10Hz
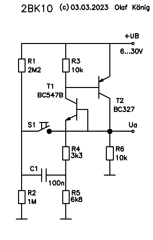
Die Schaltung
Beim Einschalten lädt sich C1 (100nF) sehr schnell
über den
Spannungsteiler R1 (2,2MΩ) und R2(1MΩ) auf 1/3 UB
auf; weiter passiert erst nichts. Wird der Taster S1
betätigt, strömt die Ladung aus C1
über R4
(3,3kΩ)
durch die Basis-Emitterstrecke T1 (BC547B). T1 steuert auch T2
(BC557B oder BC327-40) leitend - eine Selbsthalteschaltung wie bei
einem Thyristor. Wird der Taster erneut betätigt, liegt nun
die
umgekehrte Ladung zwischen Basis und Emitter T1. R5 (6,8kΩ)
sorgt
für den optimalen Basisstrom T2. R6 (10kΩ)
stellt die minimale Last dar. R6 muß auch verbleiben, falls
nur
Leuchtdioden angesteuert werden, um die Spannung nach dem Ausschalten
abzuleiten.


Zur Ansteuerung von P- oder N-MOSFET Transisoren
läßt sich auch diese Schaltung beliebig umpolen.
Die Simulation
Der Aufbau
Die Betriebsspannung (UB) sollte mit
einem Kondensator (47µF)
abgeblockt sein. Die Lötseite wird am besten mit Plastikspray
versiegelt.