Deutsches

Elektronikinstitut
 


Home     Schaltpläne     Mechanik     Bauteile     Grundlagen     Adressen
Stromversorgung     Verstärker     Signalgeneratoren     Schalter Regler Sensoren     HF-Technik

Hauptnetzteil     Linearregler     Drosselwandler
3NT10     3NT12     3NT11ZIC     3NTS16ZIC-Y4


2NT10 - Mini-Netzteil 6V /100mA



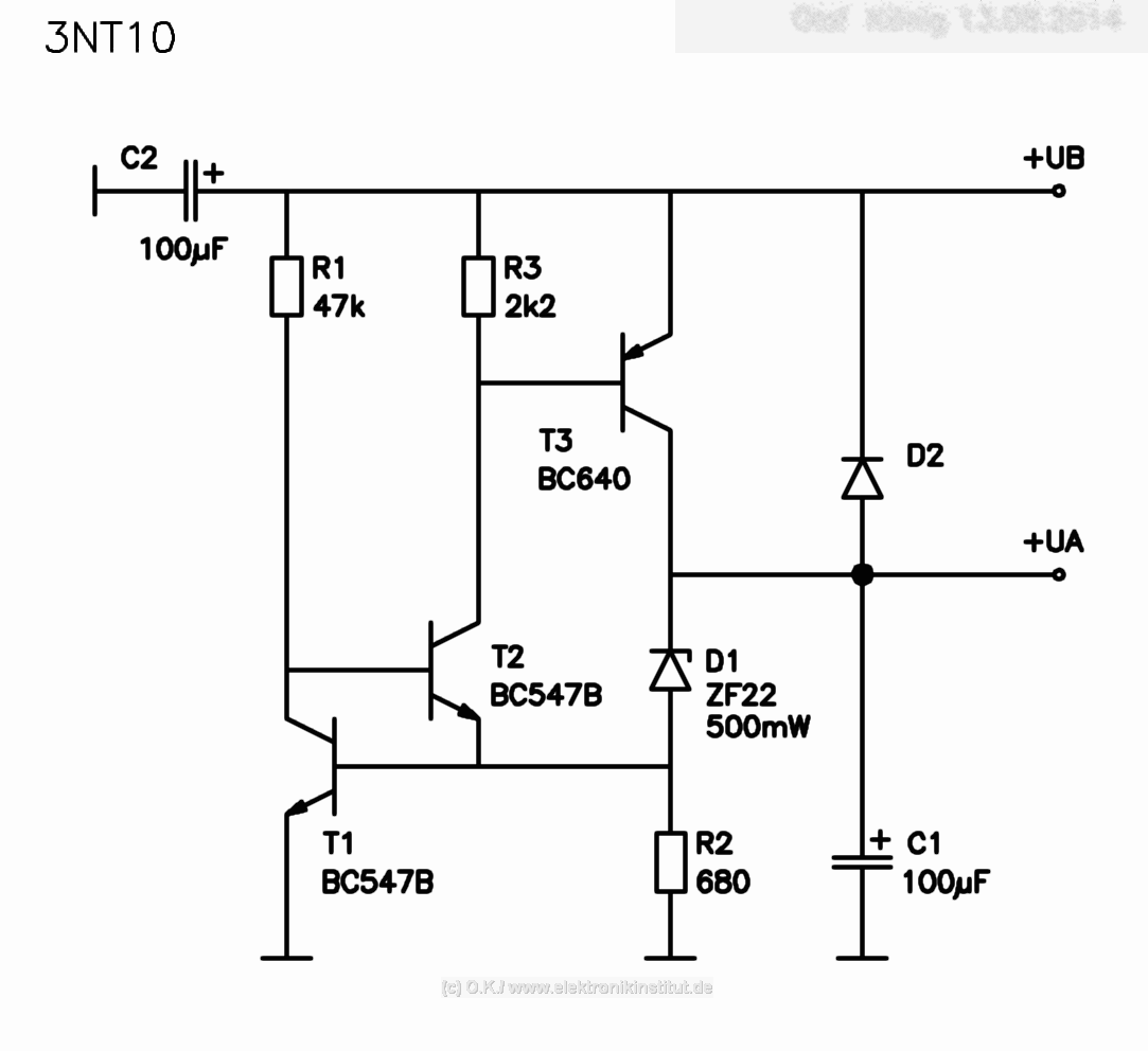
3NT10: Einfaches geregeltes Festspannungsnetzteil

Die Schalte ist brummfrei und laststabil. Die Aussteuerung ist optimal, da T3 (BC640, BD135 oä.) voll leitend werden kann. Die optimale Temperaturstabilität ergibt sich bei Verwendung einer 5,6V- Z-Diode. Zur Ausgangsspannung kommt noch UBE T1 hinzu. Somit sind 6,2V am Ausgang zu erwarten.

Mit R4 (470Ω) wird der Z-Diodenstrom eingestellt. Er begrenzt auch den Basisstrom T3. Damit ist die Schaltung wenigstens gegen kurzzeitige Kurzschlüsse geschützt.  C2 soll das Rauschen der Z-Diode kurzschließen. R1 (4k7) und C1 (47µF) filtern das Brummen für den Basisstrom weg. Mit 10 Bauteilen ist dies eine ziemlich geizige Schaltung. Mit nur 2 Bauteilen mehr erhält man eine 10 mal bessere Schaltung, siehe 3NT12. Aber es ist eine gültige Lösung.


3nt10.gif



Make a donation:
https://www.paypal.me/Elektronikinstitut
Thank You !









 Wo der Geist nicht anerkannt wird, da verliert der Mensch seine eigentliche Bestimmung.